Nema 34 Closed Loop
DESCRIPTION:
One set:
Nema34 closed loop stepper motor+DL86H driver+3M encoder cable
(Code line length can be customized)
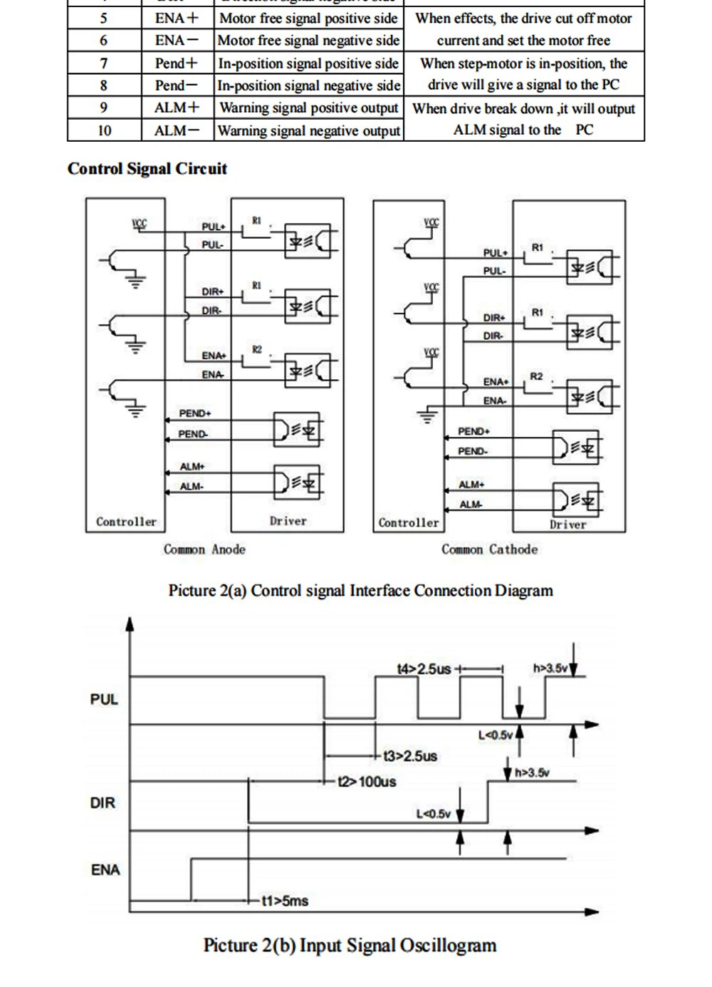
DL86H Driver:
| DL86H with digital display closed loop driver | |||
| Instructions | Minimum value | Maximum value | Unit |
| Output current (peak) | 0.4 | 8.0 | A |
| nput supply voltage(DC) | +5 | +24 | VDC |
| nput supply voltage(AC) | 18 | 80 | AC |
| Weight | 650 | G | |


NEMA34 Closed loop motor:


| Model | 86HB250-82B | 86HB250-118B | 86HB250-256B |
| Phase | 2 | 2 | 2 |
| Step Angle | 1.8±5%°/Step | 1.8±5%°/Step | 1.8±5%°/Step |
| Voltage | 2.7VDC | 3.0VDC | 3.3VDC |
| Curent | 6.0A | 6.0A | 6.0A |
| Resistance | 0.5±10%Ω | 0.5±10%Ω | 0.5±10%Ω |
| Inductance | 3.7±20%mH | 4.5±20%mH | 5.2±20%mH |
| Holding torque | 4.5N.m | 8.5N.m | 12N.m |
Contact us:
mail:hltnc2020@163.com
Whatsapp:+8613884328311;+4407397785899
FAQ:
1.How long is the delivery date?
If the quantity is not large, the soonest can be delivered on the same day.If the quantity is a little more, generally half a month can be shipped.
2.Driver type
There are other driver models HBS860H, HBS86H, HBS86, SL86A and other options
Hot Tags: nema 34 closed loop, China nema 34 closed loop manufacturers, suppliers, factory, Inductive Proximity Sensor, aluminum extrusion beams, custom aluminum profiles, window aluminium profiles, adtech servo motor, 480 volt vfd
You Might Also Like
Send Inquiry














